固定电话:

0517-86881563

手机热线:

153-1230-7860

当前位置:首页 >> 新闻动态
一种用于电磁流量计的定量控制装置的技术
技术领域
本实用新型涉及电磁流量计技术,特别是涉及一种用于电磁流量计的定量控制装置的技术。
 
背景技术
电磁流量计是一种测量介质体积流量的仪表,主要由流量转换器和流量传感器组成。其中,流量传感器用于检测介质流量,并将检测到的介质流量转换为感应电动势信号流量转换器用于向流量传感器提供产生工作磁场的励磁电流,及接收流量传感器的感应电动势信号,并将接收到的感应电动势信号排除干扰及放大后转换为标准的电信号输出。
日前,在大部分应用场合不仅需要测量介质流量,还需要对介质流量进行定量控制,由于现有的电磁流量计都限于测量介质流量,并不具备定量控制功能,因此目前定量控制介质流量时,都是通过人工监测电磁流量计的测量值来进行流量控制的,这种流量控制精确度很差。
 
实用新型内容
针对上述现有技术中存在的缺陷,本实用新型所要解决的技术问题是提供一种能
定量控制介质流量,且控制精度高的用于电磁流量计的定量控制装置。
为了解决上述技术问题,本实用新型所提供的一种用于电磁流量计的定量控制装置,所述电磁流量计内置有单片机及流量传感器,其特征在于:该装置包括电磁阀、继电器、**光耦和第二光耦。
所述单片机设有一控制信号输入端、一控制信号输出端、一数据采集端,并内置有流量统计软件,其控制信号输入端接到**光耦的正输出端,并经一上拉电阻接到正电源,其控制信号输出端接到第二光耦的正输入端,其数据采集端连接流量传感器。
所述**光耦的正输入端依次串接一定量控制开关、一分压电阻到正电源,其负输入端连接负电源,其负输出端接地;
所述第二光耦的负输入端接地,其正输出端经另一分压电阻接正电源,其负输出端串接继电器的线圈到地;
所述电磁阀安装在受控管道上,其控制端串接继电器的触点到电磁阀工作电源;
所述电磁流量传感器安装在受控管道上,并位于电磁阀的上游。
本实用新型提供的用于电磁流量计的定量控制装置,利用电磁流量计内置的单片机统计介质流量,并通过继电器、电磁阀控制介质传输管道的通断,无需人工干预即可定量控制受控管道内的介质流量,且控制精度高。
 
附图说明
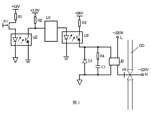
图1是本实用新型实施例的用于电磁流量计的定量控制装置的电路图
具体实施方式
以下结合附图说明对本实用新型的实施例作进一步详细描述,但本实施例并不用于限制本实用新型,凡是采用本实用新型的相似结构及其相似变化,均应列入本实用新型的保护范围。
如图1所示,本实用新型实施例所提供的一种用于电磁流量计的定量控制装置,
所述电磁流量计内置有单片机U1及流量传感器(图中未示),其特征在于:该装置包括电磁阀H1、继电器JD、**光耦U2和第二光耦U3:
所述单片机U1设有一控制信号输入端、一控制信号输出端、一数据采集端,并内置有流量统计软件,其控制信号输入端接到**光耦U2的正输出端,并经一上拉电阻R2接到3.6V正电源,其控制信号输出端接到第二光耦U3的正输入端,其数据采集端连接流量传感器;
所述**光耦U2的正输入端依次串接一定量控制开关K1、一分压电阻RI到12V正电源,其负输入端连接负电源,其负输出端接地;
所述第二光耦U3的负输入端接地,其正输出端经另一分压电阻R3接24V正电源,其负输出端串接继电器.JD的线圈到地。
所述电磁阀HI安装在受控管道GD上,其控制端串接继电器.JD的触点到电磁阀工作电源(220V交流电),所述电磁流量传感器安装在受控管道上,并位于电磁阀Hl的上游。
本实用新型实施例中,所述定量控制开关K1为常开型开关,所述继电器JD为动合型继电器,所述电磁阀H1为常开型电磁阀。
本实用新型实施例适用于带有输入键盘的电磁流量计,其使用方法如下:
未按下定量控制开关K1时,**光耦U2的正负输出端处于断路状态,此时单片机U1的控制信号输入端为高电平,其控制信号输出端无输出,使得第二光耦U3的正负输出端也处于断路状态,此时继电器JD处于失电断路状态,电磁阀H1处于失电连通状态,此时受控管道的管路畅通,流量传感器实时采集介质流量值,并传递给单片机;需要控制受控管道内的介质流量时,操作人员预先通过电磁流量计自带的输入键盘向单片机U1输入流量值,然后按下定量控制开关KI使其闭合,定量控制开关K1闭合后**光耦U2的输入端与电源接通,其正负输出端导通,使得单片机U1的控制信号输入端转为低电平,单片机U检测到其控制信号输入端为低电平后,即对流量传感器传送来的介质流量值进行累加,至累加值等于操作人员预先输入的流量值时,单片机U1通过其控制信号输出端输出一个高电平,使得第二光耦U3的正负输出端连通,从而使继电器JD上电导通,此时电磁阀H1与工作电源接通,转为通电截止状态,此时受控管道的管路截止,实现介质流量的定量控制。
 

上一条:如何解决电磁流量计测量数值与实际值不一致的
下一条:电磁流量计在供水行业中的应用


客户服务热线
15312307860

联系我们