电磁流量计空管检测装置要求
1.一种适用于工频正弦交流励磁的电磁流量计空管检测装置,包括一个有工频正弦交流励磁的电磁流量计传感器和一个空管检测装置电路,基特征在于电磁流量计传感器在工频交流励磁下,产生交变磁场,导电流体在交变磁场中切割磁力线产生感应电势信号,通过电磁流量计传感器上的两个电极,输出至空管检测装置电路,经过该电路对信号进行调理后,再通过电缆输出至电磁流量计信号转换器。
2.要求中所述的空管检测装置,其特征在于所述的电路中产生高频方波激励,经模拟电路转换为高频正弦激励信号,该正弦激励信号直接施加在,电磁流量计传感器的其中一个电极与地之间;
3.要求中所述的空管检测装置中,其特征在于所述的电路中产生高频方波激励,经模拟电路转换为高频正弦激励信号,该正弦激励信号直接施加在,电磁流量计传感器的两个电极之间;
4.要求中所述的空管检测装置中,其特征在于所述的电路就近放置于电磁流量计传感器电极的出线处(或者是传感器内部),经过信号处理后再通过电缆传输至电磁流量计信号转换器。
5.要求中所述的空管检测装置中,其特征在于所述的电路是有一个高通滤波电路将,用于空管检测信号的髙频正弦激励信号提取岀来,有一个低通滤波电路将,电磁流量计传感器的感应电势信号提取出来;实现高频正弦激励信号与传感器的感应电势信号相互分离
6.根据权利要求1中所述的空管检测装置中,其特征是与电磁流量计信号转换器连接的二芯电缆上,其中一根导线进行供电,另外一根导线用于传输经过调理后的流速信号;电源与流速信号的传输,是共用一根二芯电缆
7.根据权利要求1中所述的空管检测装置中,其特征是在供电电缆上叠加经过调制的数字信号,用于空管检测装置与电磁流量计信号转换器之间传输数据
一、技术领域
本实用新型涉及一种在测量流体流速的电磁流量计中,用于判断管道中是否存在液体介质的装置,即空管检测装置。该装置不需要在测试管上增加测量电极,而是直接在电磁流量计现有的测量电极上,施加激励电流的方式来检测管内流体介质的电导率,以此作为判断是否为空管状态的依据。该装置不仅适用于液固两相流体,而且还可用于其他需要测量流体(包括液体和液固两相流体)电导率
二、电磁流量计背景技术
电磁流量计是利用法拉第电磁感应原理在一个激励磁场下流体切割磁力线产生感应电势来进行测量,传感器两电极输岀与流体流速成正比的感应电势。因此,电磁流量计主要是一种测量流体流速的仪器。由于空管会造成电磁流量计的电极暴露在空气中,容易引入电磁骚扰,造成电磁流量计错误的输岀流速信号;随着电磁流量计的应用越来越多,希望电磁流量计在技术上能具有对流体导电率或内阻进行定量监测的能力,当检测到电磁流量计是空管时,则无条件的输出零流速。目前有采用电容耦合高频方法来判别传感器空管故障的流体电导率相对变化阈值检测方法,但采用相对电导率检测存在对低电导率流体测量不准确的问题,且对于液圊两相流体的电导率不稳定,测量非常容易出现误判空管的情况;申请号为94193261.3专有利用附加峰峰值为14ν频率为0.5z的方波交流激励来连续检测空管,不极化电极且可使用高分布电容的电缆来工作,但由于空管检测信号小于激励频率很容易受到由实际流体流动所产生的流量噪声所影响,且0.5z激励信号与工频50HL信号难以分离,不适用于工频正弦交流励磁。有公开号为CN1731106A专有采用串接激励的方法解决电磁流量计对低电导率流体测量的技术。公开号为CN1760643A专有采用并联式激励实现了对流体测量实时动态监控。然而公开号为CN1731106A、CN1760643A专有均存在同样的问题,对于正弦交流励磁来说,其采取的激励措施使得附加激励产生的流体阻抗信号与磁场激励下的流量信号难以分离,彼此之间存在干扰的现象难以消除,使得测量结果可能不准。公开号为CNI01718565A专有采用电极两端串接由光电转换器产生的激励信号,提供了一种既能保持在磁场激励下的高性能流量测量特性,又能在附加电势激励下对电极两端间流体阻抗进行监测,但电路结构相对复杂化,同时由于不能连续测量流体阻抗,所以不适用工频正弦交流励磁的电磁流量计因此,对于采用工频正弦交流励磁的电磁流量计,对流体电导率或内阻进行定量的动态监测还没有较为理想的方法应用于产品中,一定程度上妨碍了电磁流量计向低成本、多功能化和高可靠性方面发展。
本实用新型目的是为了克服现有技术不足和满足产品的实际需要,提供一种适用于工频正弦交流励磁的电磁流量计空管检测装置,它具有简单的电路结构,可实现与流速测量信号之间相互分离,连续的测量流体电导率,对低电导率流体也能监控,且对信号传输电缆的分布电容没有要求。
为了达到上述目的,本实用新型的空管检测装置包括一个差分放大电路,一个滤波电路,一个电源供电电路和由CPU控制的激励电路及通信接口。由CPU控制口产生正弦高频激励电流,用于测试流体的电导率,直接施加在其中一个电极与地或者是两个电极之间,由此产生被测流体电导率的测量信号,该测量信号与流体电导率成线性关系,该测量信号以下简称为“空管检测信号”;经过滤波电路将空管检测信号与流速测量信号相互分离,获得的空管检测信号经过CPU数字滤波处理,可连续不间断的采集当前流体的纟色对电导率,通过CPU内部预先设置的空管阈值相比较,来判断是否为空管。由于电导率仅与流体介质
自身有关,通过测量其电导率,就可以准确的判断流体的特征,因而将空管检测的阈值设定为一个可调参数,使其适用范围更广,更有利于解决由于管道内壁上残流的液体而造成误判空管问题。没有使用通常的分时复用检测方法,采用了连续检测方式,是为了适应正弦交流励磁的电磁流量计的特性,而专门设计的方案。
由于采用的是连续测量流体电导率,为了尽可能降低空管检测信号对流速测量信号的影响,需要提高空管检测信号的频率,才能使用滤波电路将空管检测信号与流速测量信号之间相互分离;电磁流量计传感器的输出流速测量信号是通过电缆与信号转换器进行连接,为了减少外界的电磁干扰,该电缆通常使用屏蔽电缆,该电缆不可避免的存在较大的分布电容,电缆每米长度的分布电容甚至达到了数百PF的电容值,由于空管检测信号的频率提高有利于与流速测量信号相互分离,但由于电缆分布电容的影响,该分布电容会损耗空管检测信号,特别是长距离的屏蔽电缆,会直接影响到空管检测信号对于流体电导率的测试。为了解决上述问题,确保微弱的空管检测信号不失真的传输,空管检测装置就近放置于电磁流量计传感器的出线处,正弦高频激励电流直接施加在,电磁流量计传感器的其中个电极与地或者是两个电极之间,空管检测装置通过判断空管检测信号,直接打开或者是关闭电磁流量计传感器与信号转换器之间的信号,实现了空管时无流速信号输出,即当检测到电磁流量计是空管时,则无条件的输出零流速空管检测装置就近放置于电磁流量计传感器的岀线处,解决了髙频率空管检测信号对电缆分布电容大小的要求。由于电磁流量计传感器与信号传换器之间通常只有用于传输流速测量信号的二芯屏蔽电缆,并没有低压直流电源供给电缆,为了满足通用的安装习惯,不对空管检测装置另外增加供电电缆,空管检测装置的供电电源使用二芯屏蔽电缆的其中一根导线进行供电,另外一根导线用于传输经过调理后的流速的测量信号;空管检测装置的空管阈值参数设置,则使用数字调制方式,叠加在供电电源的电缆上进行传输,由于数字编解码是已知的技术,所以在这里不进行说明。本实用新型的空管检测装置不仅可以用于挖泥船上的电磁流量计,也可以用于其他需要测量流体(包括液体和液固两相流体)电导率或内阻且使用工频正弦交流励磁的情在电磁流量计产品中,采用本实用新型的空管检测产品后,电磁流量计实现对流体电导率或内阻进行定量的实时动态监测,对低电导率流体也能监控:且与流速测量信号之间相互分离,并采用连续测量方式,为了适应液固两相流体的电导率突变问题,使用数字滤波算法,具有电路结构简单,同时也提髙了空管检测的准确率;空管检测装置就近放置于电磁流量计传感器的出线处,对信号传输电缆的分布电容大小没有要求的特点,更有利于电磁流量计产品向低成本、多功能化和高可靠性方面发展。
四、附图说明
图1是一种原有电磁流量计的电路结构示意图

图2是一种原有带空管检测的电磁流量计的电路结构示意图

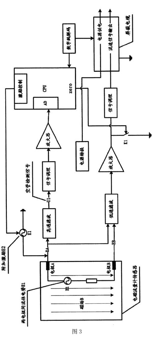
图3是一个电极与地之间施加空管检测信号的电磁流量计的电路结构示意图

图4是两个电极之间施加空管检测信号的电磁流量计的电路结构示意图
五、具体实施方式
见图1示意图中,电磁流量计传感器在交流励磁下,产生交变磁场,导电流体在交变磁场中切割磁力线产生感应电势E1,通过屏蔽电缆输出至远端信号转换器的主控制电路板,在主控制电路板上输出流速信号并显示见图3、图4示意图中,由CPU控制口产生周期为l6us的高频激励,经模拟转换为高频正弦激励E2,该正弦激励直接施加在,电磁流量计传感器的其中一个电极与地或者是两个电极之间,(图3是一个电极与地之间施加空管检测信号的电磁流量计的电路结构图,图4是两个电极之间施加空管检测信号的电磁流量计的电路结构图);由此产生被测流体内阻Rl的测量信号U1,该测量信号U1与流体内阻R1成线性关系U1=K*R1(K为已知系数)。不可避免的是流体内阻测量信号与流体流速测量信号同时存在,二者混在一起,再经过高通滤波电路将空管检测信号提取岀来,此时对流速信号衰减在60dB以上,经CPU实时采样并经过数字滤波后,与设定的阈值(可调参数)相比较,若判断为空管,则CPU发出zero信号,立刻闭合开关K1关闭流速测量信号,使信号转换器显示为零,否则断开开关KI正常输出流速信号。而电极上流速测量信号经过低通滤波电路,此时对空管检测信号衰减60B以上,再经过信号调理电路后输出流速信号,实现与空管检测信号相互分离,从而保证流速测量的准确度。
见图2示意图中,是一种原有的带空管检测的电磁流量计的电路结构图,由于电缆分布电容的影响,该分布电容对高频率的空管检测信号有一定的损耗,特别是长距离的屏蔽电缆,会直接影响到空管检测信号对于流体电导率的测试,所以该结构并不适合,本实用新型提出的高频率信号空管检测方式。结合图3和图4可以看出为了保证微弱的空管检测信号不失真的传输,空管检测装置就近放置于传感器出线处(传感器内部),进行信号处理后再通过屏蔽电缆传输,从而彻底的彻底解决了髙频率空管检测信号对电缆分布电容大小的要求。
由于电磁流量计传感器与信号传换器之间通常只有用于传输流速信号的二芯屏蔽电缆,并没有低压直流电源供给电缆,为了满足通用的安装习惯,不再对空管检测装置另外增加供电电缆,空管检测装置的供电电源使用二芯屏蔽电缆的其中一根导线进行供电,另外一根导线用于传输经过调理后的流速信号;实现直流供电与信号传输共用一根二芯屏蔽电缆。
根据不同的使用环境,信号传换器需要调整空管检测装置的空管阈值参数设置时,则使用数字信号调制方式,该信号叠加在供电电源的电缆上进行传输,方便在现场调整空管检测装置的参数,满足不同的使用条件。由于数字编解码是已知的技术,所以在这里不详细进行说明。
以上所述,为本实用新型电磁流量计空管检测装置较佳的具体实施方式
上一条:
一种应用于电磁流量计极化电压检测的电路
下一条:
恒磁式电磁流量计的极化电压控制方法研究